160平意式极简 | 简奢有度 与美共生
户型三室
面积160m²
花费50万以上
位置石家庄市
风格 意式极简
前言
设计以极简演绎最本质的轻奢,将简洁的线条、造型和奢华的材质完美结合于一个空间中,呈现出惊艳的效果。营造出内敛大气的氛围,体现出居住者的品味与格调。色彩是空间直观的表达方式,黑白审美与极简设计相得益彰。去繁就简,巧妙运用黑白两色和简练的造型线条,增强了空间的秩序感,带来了独特的视觉冲击力,呈现出内敛且具有设计感的空间。
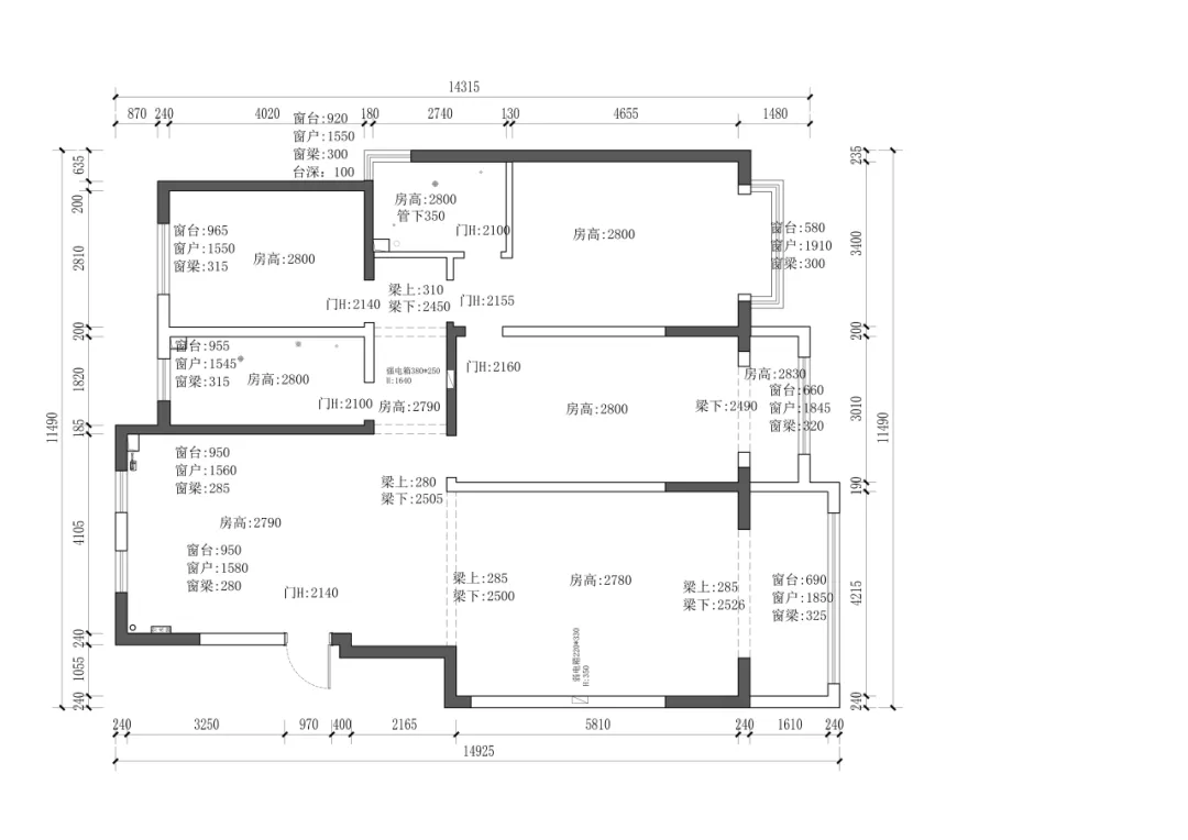
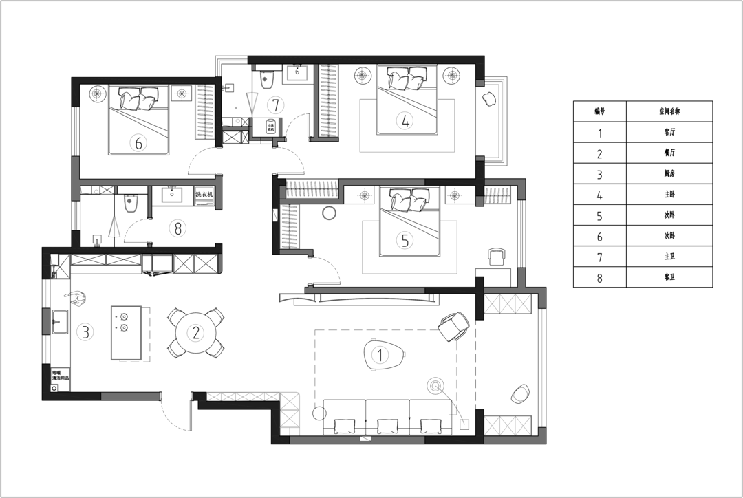
· 户型图


· 客厅










· 厨房

· 餐厅






· 卧室


更多推荐
在线咨询
目录
户型图
客厅
厨房
餐厅
卧室



评论 0